- 1034(2段異径PT大)


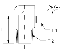
| 番号 | 登録品番 | T1(PF) | T2(PT) | L |
|---|---|---|---|---|
| 1 | 1034-6-12PT | G1/4 | R1/2 | |
| 2 | 1034-9-19PT | G3/8 | R3/4 | |
| 3 | 1034-12-25PT | G1/2 | R1" |
G x R (90度)
1/4 ~ 1"
<備考>
5番金具に接続 PT側2段UP 90°エルボ
30°メスシートPF(オス) × PT(オス)
住友品番:
YH品番:1034異径
BS品番:
サクラ品番:M490異径
| 番号 | 登録品番 | T1(PF) | T2(PT) | L |
|---|---|---|---|---|
| 1 | 1034-6-12PT | G1/4 | R1/2 | |
| 2 | 1034-9-19PT | G3/8 | R3/4 | |
| 3 | 1034-12-25PT | G1/2 | R1" |
G x R (90度)
1/4 ~ 1"
<備考>
5番金具に接続 PT側2段UP 90°エルボ
30°メスシートPF(オス) × PT(オス)
住友品番:
YH品番:1034異径
BS品番:
サクラ品番:M490異径