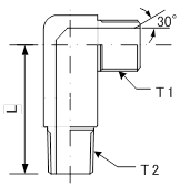
- 9034(同径ロングエルボ)


| 番号 | 登録品番 | T1(PF) | T2(PT) | L |
|---|---|---|---|---|
| 1 | 9034-6 | G1/4 | R1/4 | 57 |
| 2 | 9034-9 | G3/8 | R3/8 | 62 |
| 3 | 9034-12 | G1/2 | R1/2 | 64 |
| 4 | 9034-19 | G3/4 | R3/4 | 85 |
| 5 | 9034-25 | G1" | R1" | 101 |
G x R (90度)
1/4 ~ 1"
<備考>
ロングエルボ(5番ねじ接続)
PF(オス)×PT(オス)
住友品番:
YH品番:9034
BS品番:
サクラ品番:M490ロング