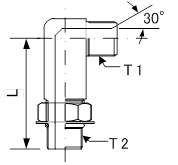
- M490-O(異径Oリング)


| 番号 | 登録品番 | T1(PF) | T2(PF) | L |
|---|---|---|---|---|
| <座付側大> | ||||
| 1 | 490-0406-O | G1/4 | G3/8 | |
| 2 | 490-0608-O | G3/8 | G1/2 | |
| 3 | 490-0812-O | G1/2 | G3/4 | |
| 4 | 490-1216-O | G3/4 | G1" | |
| 5* | 490-1620-O | G1" | G1"1/4 | |
| <座付側小> | ||||
| 6 | 490-0402-O | G1/4 | G1/8 | |
| 7 | 490-0604-O | G3/8 | G1/4 | |
| 8 | 490-0806-O | G1/2 | G3/8 | |
| 9 | 490-1208-O | G3/4 | G1/2 | |
| 10 | 490-1612-O | G1" | G3/4 | |
| 11* | 490-0408-O | G1/4 | G1/2 |
G x G (Oリング) 90度
1/8 ~ 1"1/4
<備考>
5番ネジに接続 PF(オス)×PF(オス)Oリング
異径 90°エルボ
S=M490タイプ
YH=1071
Sn=SSO4R-□
(*)取寄せ品となります。