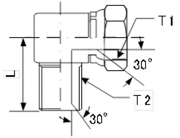
- 4-5 90°エルボ


| 番号 | 登録品番 | T1 | T2 | L |
|---|---|---|---|---|
| 1 | 4-5-0404-90 | G1/4 | G1/4 | |
| 2 | 4-5-0606-90 | G3/8 | G3/8 | |
| 3* | 4-5-0808-90 | G1/2 | G1/2 | |
| 4 | 4-5-1212-90 | G3/4 | G3/4 | |
| 5 | 4-5-1616-90 | G1" | G1" |
オカダ(メス) x 東空・古河(オス)
2分~インチ
<備考>
4番メス(オカダ)×5番オス(東空・古河)
ブロック90°エルボ
※写真は六価メッキですが、三価メッキに切り替わっています。
(*)取寄せ品となります。